優異性能
全新電磁控制技術
| 
				 
					●   直流電維持線圈工作,工作電壓低,節能降耗 
					●   減少鐵芯磁滯損耗和渦流損耗,延長使用壽命
				 
 
				● 無鐵芯工作所產生的噪音,運行更安靜 
					全新結構設計 ● 消除短路隱患,提高再次動作安全性 ● 延長使用壽命 智能通訊 ● 配置RS-485通訊接口, Modbus-RTU、Profibus-DP通訊協議 ● “四遙”功能:遙調、遙信、遙測、遙控 ● 運行、停止、故障查詢  | 
			
				 | 
		
其他型號
產品描述
江蘇遠泰電器生產的YTEKI 系列控制與保護開關電器, 以模塊化單一結構形式, 將斷路器、接觸器、過載繼電器、隔離開關、漏電、電流電壓表等分離元器件的主要功能集成化,并能夠綜合各種信號,實現控制與保護特性在產品內部自配合。具有體積小、短路分斷性能指標高,機電壽命長和運行可靠性高,使用安全方便、節能節材等優點。
本公司采用先進的MCU 控制技術,開發的YTEKI 系列控制與保護開關電器,保護精度高、工作穩定可靠、抗干擾能力強、實現控制保護開關數字化、智能化、通信網絡化及現場總線連接監控等功能。
適用領域
YTEKI控制與保護開關電器具有控制與保護功能集成化,結構模塊化,體積小,對環境污染的防護等級高,安裝使用及維修操作方便等一系列優點。特別適用于現代化建筑中的泵、風機、空調、消防照明等電控系統;冶金、煤礦、鋼鐵、石化、港口、船舶、鐵路、紡織等領域的電機控制和保護;電動機控制中心(MCC)尤其是智能化電控系統或高分斷能力的MCC:工廠或車間單電機控制和保護以及遠程控制照明系統等。
符合標準
| ● GB14048.1 | 總則 | 
| ● GB14048.9 | 控制與保護開關電器 | 
| ● IEC60947-1 | 總則 | 
| ● IEC60947-6-2 | 控制與保護開關電器 | 
電磁兼容性
	 
	
		
			
 
				 
			
					●  靜電放電 
				 
				
					Level 4/3      
				 
			
				 
			
					●  電快速脈沖群  
				 
				
					Level 4 
				 
			
				 
			
					●  射頻輻射騷擾 
				 
				
					Level 3 
				 
			
				 
			
					●  射頻傳導騷擾 
				 
				
					Level 3 
				 
			
				 
			
					●  浪涌 
				 
				
					Level 4 
				 
			
				 
		
	
					●  諧波 
				 
				
					Level 3 
				 
			
污染等級
	● YTEKI系列開關已被認證可以在污染等級為3級的環境中運行
● 該污染級別由GB/T14048標準中針對工業用電器適用環境的規定
 
正常工作與安裝條件
	● 周圍空氣溫度:-5°C~40°C
● 安裝地點的海拔不超過2000M
● 當最高溫度為40°C,空氣的相對濕度不超過50%
● 開關主體安裝類別為Ⅲ,輔助控制電路為Ⅱ
● YTEKI系列應安裝在無爆炸危險和無導電塵埃、無足以腐蝕金屬和破壞絕緣的地方
 
使用類別
● AC-43、AC-44
產品型號
	
	
功能特點
遠程控制和人工控制。
面板指示及機電信號報警。
電壓表、電流表功能。
自配合的時間-電流保護特性(長延時、短路短延時和瞬時三段保護特性)。
斷相、過流、堵轉、短路、欠流、過壓欠壓、漏電、三相不平衡、啟動超時保護等功能。
參數設定和查詢。
參數設定,故障類型記憶功能,便于故障查詢、分析。
RS485通信接口,實現“遙信、遙測、遙控、遙調”四遙功能。
用戶根據需要選配功能模塊或附件,即可實現對各類負載的控制和保護。
額定工作電流及控制功率

技術參數

保護參數設定值



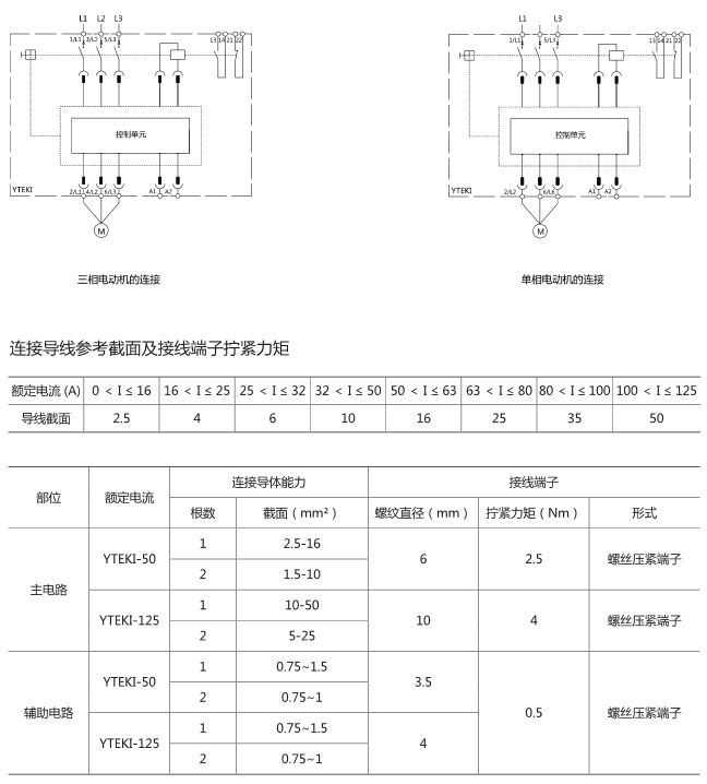
控制原理及接線圖
		
	
		
	
產品尺寸
	
 


 
蘇公網安備 32100302010701號