《常用風機控制電路圖》、 《常用水泵控制電路圖》將于9月出版
《常用風機控制電路圖》、常用水泵控制電路圖》將于9月出版
在“十三五”規劃“加快新型城鎮化步伐,提高社會主義新農村建設水平”的背景下,我國城鎮化建設快速發展,近年來,隨著建筑類型和建造技術升級,新材料和新技術得到廣泛應用。
為適應城鎮化建設發展需要,保障人民生命與財產安全,建筑防火相關規范《火災自動報警系統設計規范》已修訂。依據新版規范,中國建筑標準設計研究院組織行業權威設計院和知名專家對D303-2《常用風機控制電路圖》、D303-3《常用水泵控制電路圖》進行修編,將于今年9月初上市。
2010版D303-2《常用風機控制電路圖》、D303-3《常用水泵控制電路圖》出版以來,對提高效率、保證工程質量起到了重要作用,受到廣泛好評。本次修編圖集在依據最新相關標準的基礎上,充分考慮了2010版圖集發行至今各方反饋意見,結合建設行業發展需要,對原圖集進行了系統的修訂和補充。2016版圖集新增內容涵蓋了超高層等新型建筑類型和新技術應用所涉及技術要點,更適應快速發展的建設要求。具體如下:
2. 取消了消防聯動控制器無源觸點控制消防風機的控制方案,保留有源DC24V觸點方案。
3. 為了推廣新產品新技術,圖集中增加了控制與保護開關電器(CPS)用于消防風機的控制方案。
4. 增加了平時兼事故兩用單速風機電路圖。
5. 修改了消防兼平時兩用雙速風機平時無BAS自動控制時,風機的手動和消防手動啟停和自動問題。
6. 修改了YD系列△/YY接線及YDT系列Y/YY接線的單臺雙速風機 在低速和高速轉換時,存在接觸器線圈瞬間短路的問題。
7. 增加了消防兼平時兩用雙速風機和平時用雙速風機當沒有自動控制信號(BAS)時,風機的控制要求。
8. 增加了對消防風機電源檢測要求及傳感器的安裝位置。
修編亮點(部分):
排煙(加壓送風)風機電路圖
說明:
1.消防聯動控制器手動控制盤上只設置一組手動啟動(SF2)和停止按鈕(SF3),消防手動控制排煙(加壓送風)啟、停。聯動觸發信號為有源DC24V信號(KA1)。
2.消防風機控制箱手動轉換開關(SAC)設于手動位時,消防控制室不應對消防風機進行手自動控制,以免安全事故。
3.手動轉換開關(SAC)的手、自動狀態信號和風機的啟停信號及過負荷信號均通過模塊反饋到消防聯動控制器中。
主要修編內容
1.根據《火災自動報警系統設計規范》GB 50116-2013,對消防水泵控制電路圖進行了修改。
2. 取消了消防聯動控制器無源觸點控制消防水泵的控制方案,保留有源DC24V觸點方案。
3. 為了推廣新產品新技術,圖集中增加了控制與保護開關電器(CPS)用于消防水泵的控制方案。
4.增加了超高層建筑中消防水泵的控制電路圖(低區消防水泵、高區消防水泵、屋頂消防水箱、轉輸水箱、消防水池)。
5.消火栓用消防水泵和自動噴灑用消防水泵內容合并為消防水泵控制電路圖。
6. 增加了對消防水泵電源檢測要求及傳感器的安裝位置。
7.保留了消防按鈕啟動消火栓泵的控制方案(當建筑物內無火災自動報警系統時)。
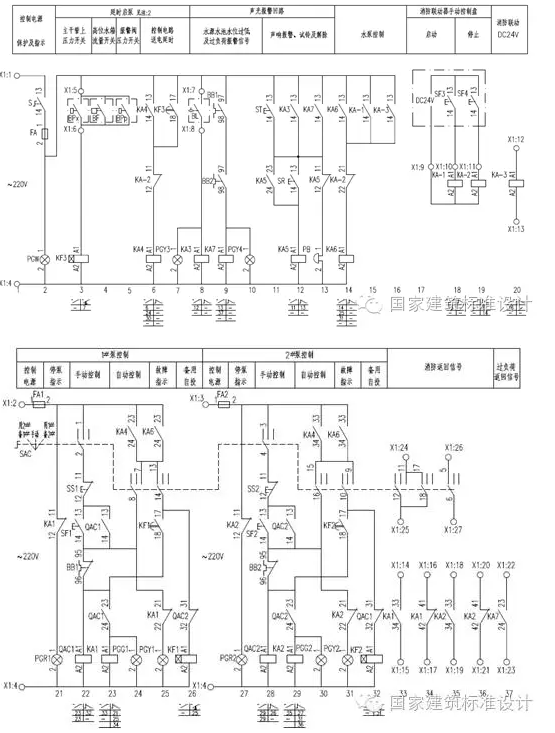
修編亮點(部分):
消防水泵一用一備全壓啟動控制電路圖

說明:
1.消防聯動控制器手動控制盤上只設置一組手動啟動(SF3)和停止按鈕(SF4),手動控制消防水泵的啟、停。聯動觸發信號為有源DC24V信號(KA-3)。
2.消防水泵控制箱手動轉換開關(SAC)設于手動位時,消防控制室不應對消防水泵進行手自動控制,以免安全事故。
3.手動轉換開關(SAC)的手、自動狀態信號和水泵的啟停信號及過負荷信號通過模塊反饋到消防聯動控制器中。

蘇公網安備 32100302010701號