電動機的保護配合及CPS在民用建筑中的應用
該文發表在《智能建筑電氣技術》2015年第9卷第5期上。
筆者是CPS技術和應用的倡導者和推動者!
早在1992年,國際電工委員會頒布了IEC 60947-6-2:1992標準文件,規定了“控制與保護開關電器”相關要求,開創了電動機保護與控制的新紀元。CPS是英文Control and Protective Switching Device的縮寫,對電動機保護而言是革命性的,它成功的解決了過去一直沒有解決好的電動機保護配合問題。我國于1998年在IEC標準的基礎上制定了我國第一部國家標準GB 14048.9-1998,從此CPS逐漸為行業內從業人員所認識、接受,并逐漸推廣和應用。令人欣慰的是,我國自主研發的CPS達到了世界同類產品的先進水平,部分指標優于國外產品,生產廠家多達數十家,并培育出了常熟、中凱、遠泰、泰永等骨干企業,產品特點鮮明,質量穩定、可靠,額定電流高達225A,可滿足95kW及以下交流電動機直接啟動的需求,帶動我國CPS產業的發展。經過北京奧運場館、上海世博會等重大工程的應用驗證,國產的CPS性能穩定,可靠性高,是值得信賴的低壓電器。
1 電動機保護配合的原則
電動機保護配合較多,歸納起來主要有如下三個原則:
第一,保護器件的配合
如圖1a所示,傳統的電動機主回路由多個元器件組成。短路保護由短路保護電器完成,通常采用斷路器或熔斷器;過載保護由過載保護電器實現,通常采用熱繼電器。無論是過載還是短路,都會產生較大的故障電流,在保護電器動作之前要求控制電器(通常采用接觸器)有足夠的能力承受這么大的故障電流。
因此,電動機的保護需要配合嚴密,不留死角,否則會造成設備或器件損壞。電動機保護的配合可以用圖2直觀的表示。圖中1是熱繼電器曲線,用于過載保護;2是電磁脫扣器曲線,用于短路保護;3和4分別是熱繼電器耐熱極限曲線和SCPD耐熱極限;Ij為熱繼電器脫扣曲線與SCPD電磁脫扣曲線的交點,由熱繼電器廠家提供。理想的保護配合和分工如表1所示,這樣短路保護電器和過載保護電器分工明確,各司其職。
圖2 電動機保護配合曲線
表1 保護器件的保護分工
實際電流I/額定電流In
保護器件動作情況
I/In≤1
保護元件不動作
1<I/In ≤0.75Ij
熱繼電器動作
0.75Ij <I/In ≤1.25Ij
熱繼電器、SCPD都可能動作,在此范圍內熱繼電器的脫扣特性不能發生改變
1.25Ij <I/In
SCPD動作
控制電器(如圖1中的接觸器)的額定限制短路電流不應小于安裝處的預期短路電流。額定限制短路電流是接觸器、PC級的ATSE等產品中非常重要的技術參數,他們本身沒有短路保護能力,需要斷路器、熔斷器等短路保護電器與之配合,國標GB 14048相關標準對額定限制短路電流有如下定義:在有關產品標準規定的試驗條件下,用制造廠指定的短路保護電器進行保護的電器,在短路保護電器動作時間內能夠良好地承受的預期短路電流值。通俗地說,當發生短路時,在短路保護電器切斷故障回路之前,接觸器等控制電器應能承受如此之大的故障電流,滿足電動機保護配合要求。第二,電動機主回路中的控制電器也參與到保護配合中
第三,保護配合的類型
《民用建筑電氣設計規范》JGJ16-2008第9.2.4條第4款第1項指出,電動機保護配合分為1類和2類配合,詳細描述和特點見表2所示。顯然,2類配合強調供電的可靠性和連續性,適用于重要負荷(如消防類負荷)。
表2 1類配合和2類配合
在短路情況下接觸器、熱繼電器的損壞是可以接受的:
1、不危及操作人員的安全
2、除接觸器、熱繼電器以外,其它器件不能損壞
短路時,接觸器、啟動器觸點可容許熔化,且能夠繼續使用。
同時,不能危及操作人員的安全和不能損壞其它器件
配合類別
定義
特點
1類配合
允許供電中斷,直到維修或更換接觸器和熱繼電器后才可恢復供電對供電連續性不高維護保養時間長
2類配合
供電連續性十分重要,而且觸點必須被容易的分開維護、保養時間短
在CPS問世之前,采用分立元件很難完整地、準確地實現上述電動機保護配合,出現的問題相對較多。而CPS則很好的將這些保護配合固化在器件中,保護配合比較嚴密,是一項值得推廣的新技術。
2 CPS的特點
如前所述,傳統的電動機主回路有隔離電器、短路保護電器SCPD、控制電器、過載保護電器及附屬電器等組成,與傳統的分立元件相比,CPS(如圖1b所示)的優勢非常顯著,主要特點如下:
2.1 CPS保護配合嚴密
CPS保護配合分工明確,不留死角,配合嚴密,完全符合上文所述電動機保護配合的要求,滿足《民用建筑電氣設計規范》JGJ 16-2008相關條款的規定。
2.2 主回路簡潔
圖1b所示,CPS構成的電動機全壓啟動電路非常簡單,一個器件構成一個回路。CPS集成了電動機的保護電器、控制電器、隔離電器等功能。
2.3 保護齊全
CPS具有多種保護功能,例如相間短路保護、接地故障保護、過載保護、斷相保護等,同時其體積比分立元件的要小很多,控制箱體積可以大大減小,節省空間。
2.4 控制多樣
CPS可以進行電動機全壓啟動、星三角降壓啟動、單向控制、可逆控制、雙電源(ATSE)控制等多種控制,控制非常靈活。
當然,目前CPS尚不能做到電動機控制與保護的全覆蓋,最大額定電流只有225A,只能應用于中小容量的電動機。
3 CPS在民用建筑中的應用
3.1 應用依據
《民用建筑電氣設計規范》JGJ 16-2008第9.2.6條第1款第1)項規定,控制與保護開關電器(CPS)宜用于頻繁操作及不頻繁操作的電動機回路。規范條文有如下含義:
a)規范里所述的電動機回路是指電動機主回路,CPS可以代替隔離電器、短路保護電器、控制電器、過載保護電器等,簡化了電動機主回路,可靠性得以提高;
b)規范沒有對CPS的應用場所、負荷類型等方面做進一步的要求,也就是說,規范沒有限制CPS在各種類型的民用建筑、各類負荷中的應用;
c)沒有限定電動機操作的頻次。民用建筑中新風機組、空調機組、送風機等屬于頻繁操作的電動機,而排煙風機、消火栓泵等屬于不頻繁操作的電動機。
3.2 應用場所及舉例
常用的風機、水泵控制詳見國標圖集《常用電機控制電路圖》16D303-2~3相關章節,本文重點介紹該標準圖中沒有涉及到的應用,供讀者參考。
3.2.1 CPS在排煙風機和正壓送風機中的應用
由于消防負荷的特殊性和重要性,加之CPS是新技術、新產品,根據專家審查的意見,10D303-2~3暫沒在消防類的設備中使用CPS,待經過實踐驗證后再進行補充。又經過多年的驗證和工程實踐,在16D303-2~3,CPS得到廣泛的應用。
圖 3 排煙風機、正壓送風機控制圖1
圖3是排煙風機和正壓送風機控制圖,其主回路參見圖1b,為CPS方案,適合于交流380V單臺消防排煙風機或正壓送風機的現場控制或兩地控制,過載保護只報警,風口(或風閥)上的微動開關直接與風機聯動,消防聯動模塊提供無源動合觸點,當消防系統提供有源觸點時,取消變壓器T。只有現場控制時,取消SS1'、SF1'、S、HG'并將X1:5與X1:6短接,X1:6與X1:7斷開,X1:7與X1:8短接,X1:10與X1:11斷開。圖中CPS包含線圈、過載保護觸點,動合觸點、動斷觸點。用于正壓送風機控制時,將X1:8與X1:9短接。
圖4是排煙風機和正壓送風機另一個控制方案,適合于交流380V單臺消防排煙風機或正壓送風機的現場控制或兩地控制,控制電源為交流220V,過載只報警不作用于斷電,風口(或風閥)上的微動開關直接與風機聯動,消防聯動模塊提供無源動合觸點,當消防系統提供有源觸點時,取消變壓器T。只有控制箱上控制時,取消SS1'、SF1'、S、HG1'。圖中CPS包含線圈、過載保護觸點、動合觸點、動斷觸點??刂破?/span>EMC是風機專用控制模塊,其面板上有風機的啟??刂萍跋嚓P信號,詳見《常用電機控制電路圖》10D303-2相關頁碼。當本圖用于正壓送風機控制時,將X1:11與X1:12短接。
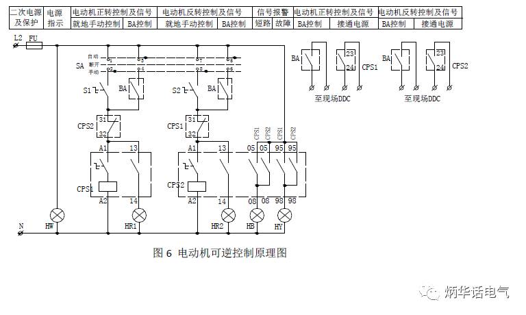
3.2.2 CPS在電動機可逆控制中的應用
圖5和圖6分別為CPS組成的電動機可逆控制的主回路和二次原理圖,CPS1、CPS2分別控制電動機正轉和反轉的線圈,集成在CPS內,類似分立元件構成電動機主回路中的接觸器,CPS本身具有機械聯鎖功能,正反轉的動斷觸點分別串聯在對方的線圈回路,形成電氣聯鎖。本方案還具有BA自動控制功能。
圖 4 排煙風機、正壓送風機控制圖2
圖5 電動機可逆控制主回路
圖6 電動機可逆控制原理圖
3 總結
綜上所述,CPS在電動機保護與控制方面的應用可以小結如下:
1)CPS固化了電動機保護配合,可靠性、實用性、靈活性大大提高,電動機的保護與控制水平比分立元件有大幅度提升。
2)CPS在消防類電動機保護與控制方面有成熟的控制方案,經多年的工程實踐驗證,控制方案、產品質量均能滿足消防類電動機的控制與保護的需要。
3)電動機可逆控制技術成熟,工程實際驗證效果良好,可以滿足工程需要。
4)CPS有其局限性,現在只有中小容量的產品,尚無法取代分立元件。

蘇公網安備 32100302010701號